菲格瑞思LWGY涡轮流量传感器使用说明书

 时间:2024-10-30 10:31:10

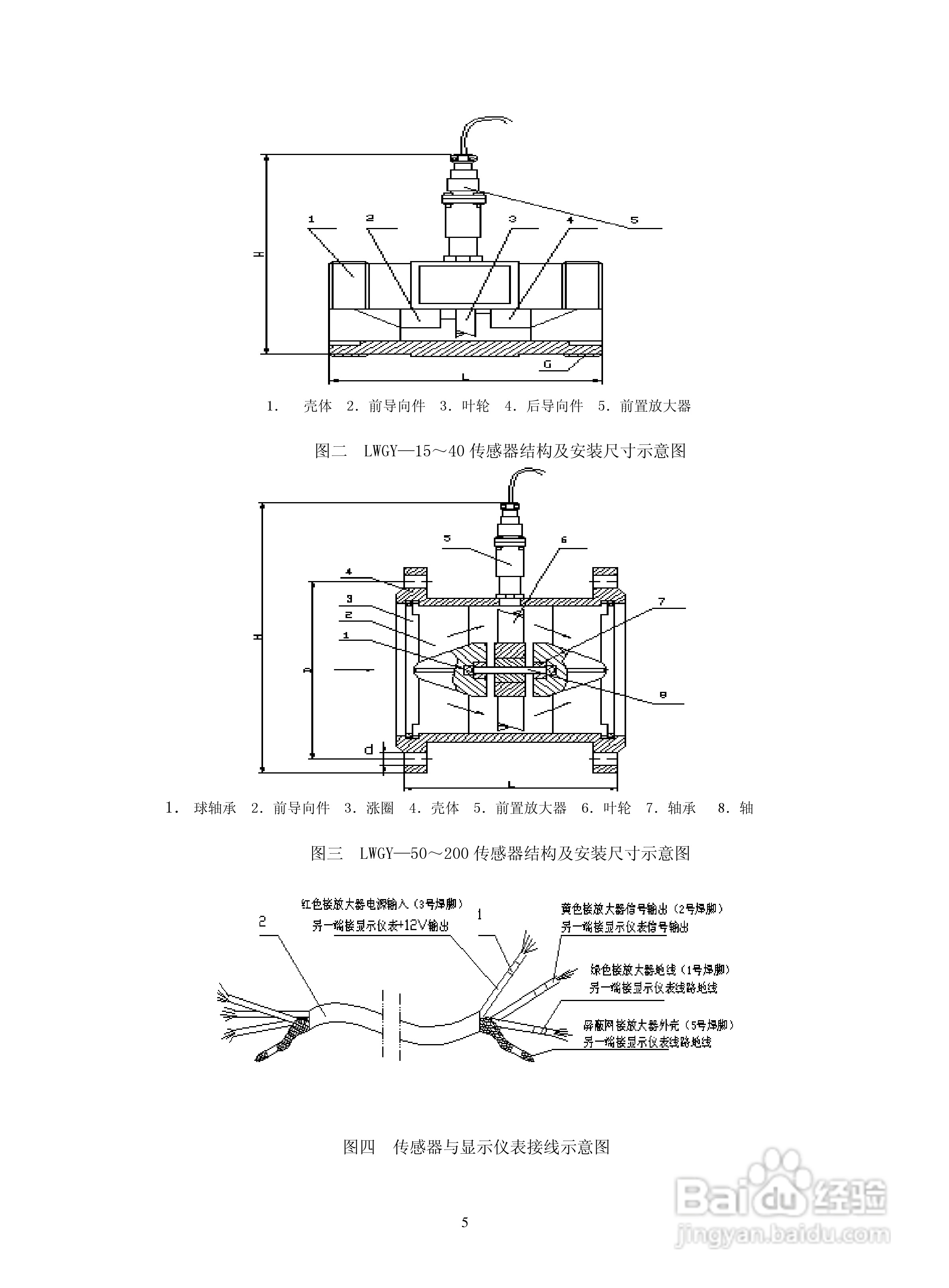
菲格瑞思LWGY涡轮流量传感器使用说明书

菲格瑞思LWGY涡轮流量传感器使用说明书

菲格瑞思LWGY涡轮流量传感器使用说明书

菲格瑞思LWGY涡轮流量传感器使用说明书

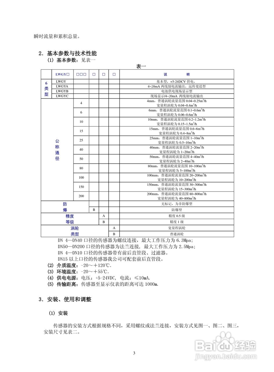
菲格瑞思LWGY涡轮流量传感器使用说明书

菲格瑞思LWGY涡轮流量传感器使用说明书

菲格瑞思LWGY涡轮流量传感器使用说明书

菲格瑞思LWGY涡轮流量传感器使用说明书

菲格瑞思LWGY涡轮流量传感器使用说明书

菲格瑞思LWGY涡轮流量传感器使用说明书

菲格瑞思LWGY涡轮流量传感器使用说明书

  • 什么是QTI传感器?
  • 宜科FS602电子式流量传感器使用说明书
  • ECOSO HFT高频响流量传感器使用说明书
  • BST30流量传感器
  • 法米特LWGY-A型涡轮流量计传感器的安装和调整
  • 热门搜索
    公司形象墙图片大全 帮派名字大全霸气 胃大怎么减肥 手机壁纸图片大全唯美 邓文迪年轻时图片大全 炖盅炖汤食谱大全 大鹅的做法大全 驴肉火锅的做法大全 三年级下册手抄报大全 大腿内侧股癣怎么治