ECOSO HFT高频响流量传感器使用说明书

 时间:2026-02-16 06:29:29

ECOSO HFT高频响流量传感器使用说明书

ECOSO HFT高频响流量传感器使用说明书

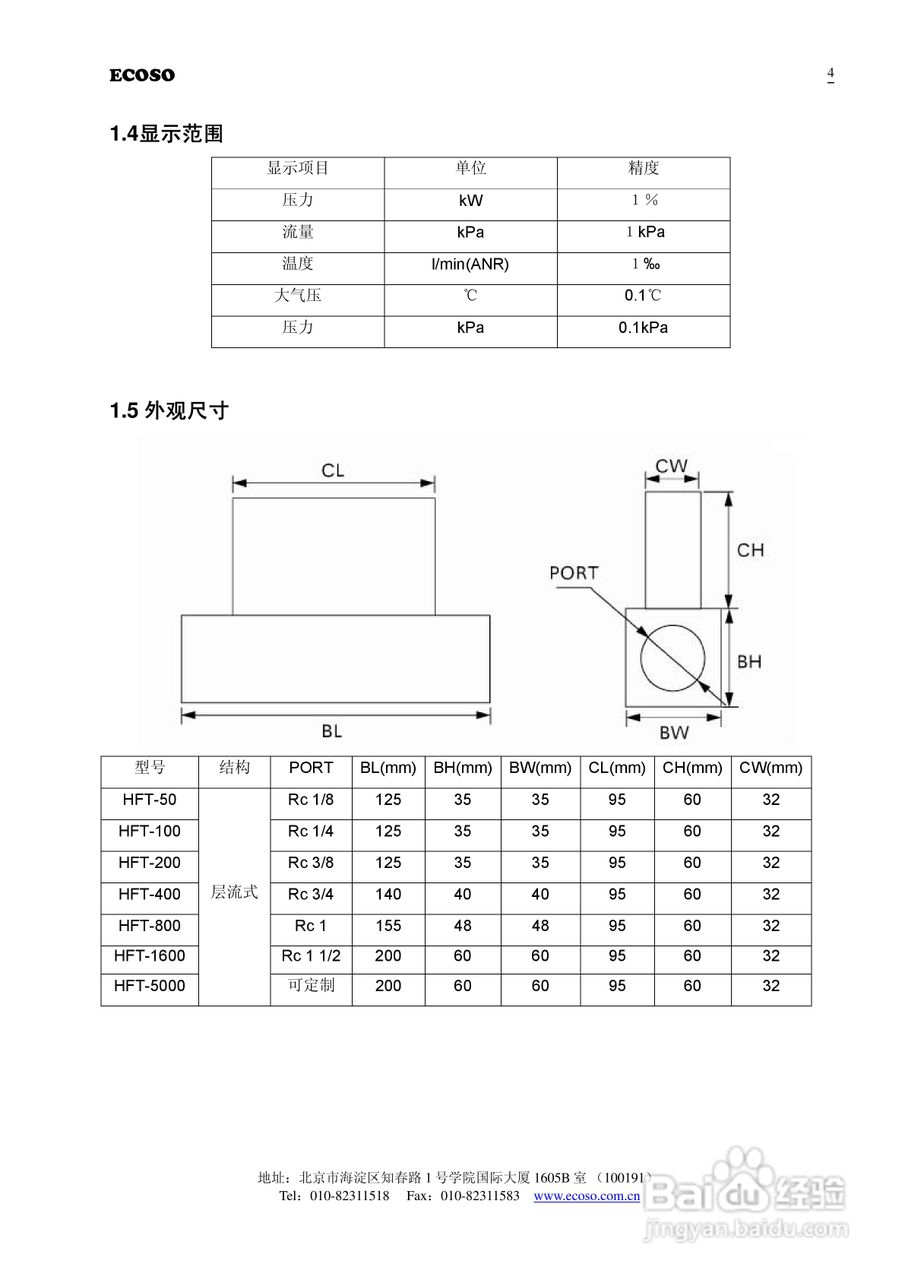
ECOSO HFT高频响流量传感器使用说明书

ECOSO HFT高频响流量传感器使用说明书

ECOSO HFT高频响流量传感器使用说明书

ECOSO HFT高频响流量传感器使用说明书

ECOSO HFT高频响流量传感器使用说明书

ECOSO HFT高频响流量传感器使用说明书

ECOSO HFT高频响流量传感器使用说明书

ECOSO HFT高频响流量传感器使用说明书

ECOSO HFT高频响流量传感器使用说明书

  • 什么是QTI传感器?
  • 菲格瑞思LWGY涡轮流量传感器使用说明书
  • RM4220传感器说明书
  • 基尔SIY90S电子式流量传感器说明书
  • BST30流量传感器
  • 热门搜索
    钯金是什么 several什么意思 介于是什么意思 正方形纸可以折什么 person是什么意思 显卡交火是什么意思 种草莓是什么意思 出汗太多是什么原因造成的 begin什么意思 肚子痛是什么原因