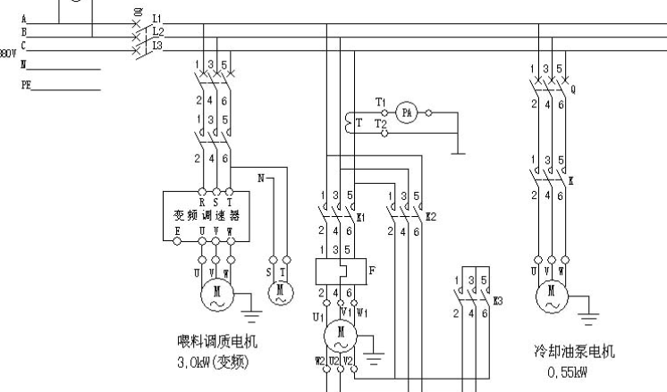
电气原理图是根据控制线图工作原理绘制,具有结构简单,层次分明。主要用于研究和分析电路工作原理,要想看电气原理图要先清楚其中的电气原理及其符号所表示的含义。看原理图先看主电路,再看控制电路。
接线图中一般示出如下内容:电气设备和电器元件的相对位置、文字符号、端子号、导线号、导线类型、导线截面、屏蔽和导线绞合等。
所有的电气设备和电器元件都按其所在的实际位置绘制在图纸上,且同一电器的各元件根据其实际结构,使用与电路图相同的图形符号画在一起,并用点画线框上,其文字符号以及接线端子的编号应与电路图中的标注一致,以便对照检查接线。

扩展资料:
电气系统图主要有电气原理图、电器布置图、电气安装接线图等,绘图软件有电气CAD、protel99、Cadence等。
因此,电气原理图是电气系统图的一种。是根据控制线图工作原理绘制的,具有结构简单,层次分明。主要用于研究和分析电路工作原理。
电气布置安装图主要用来表明各种电气设备在机械设备上和电气控制柜中的实际安装位置。为机械电气在控制设备的制造、安装、维护、维修提供必要的资料。
电气安装接线图是为了进行装置、设备或成套装置的布线提供各个安装接线图项目之间电气连接的详细信息,包括连接关系,线缆种类和敷设线路。
参考资料来源:百度百科-电气原理图