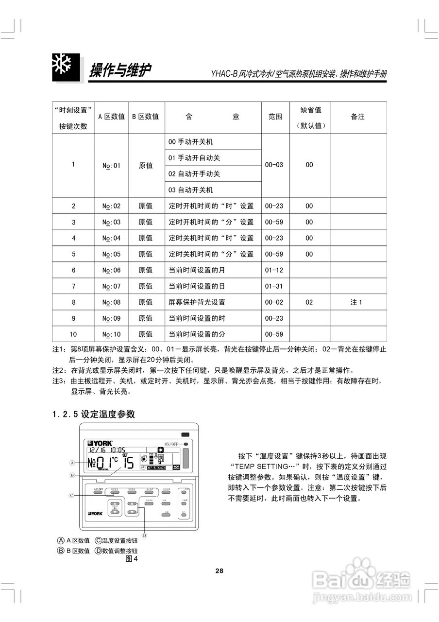
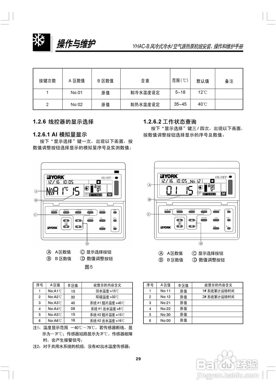
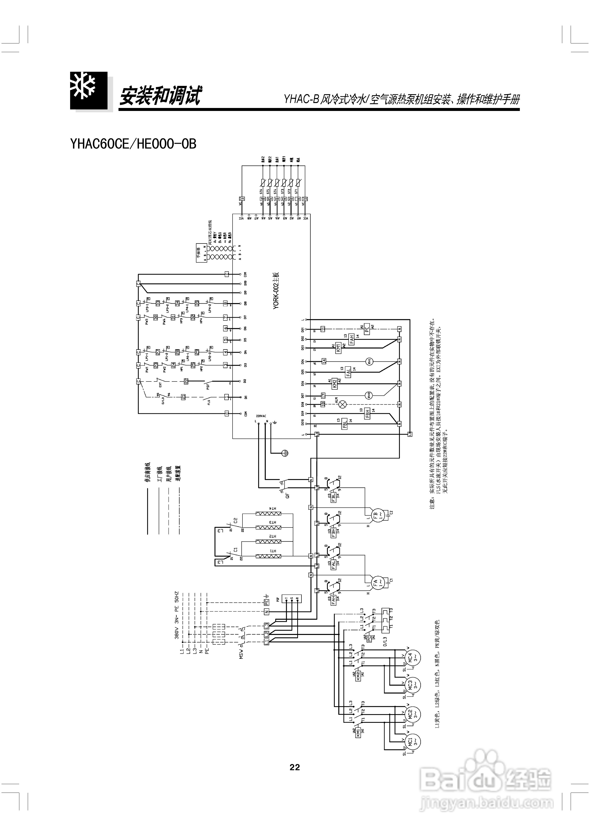
约克YHAC60-B空调安装、操作和维护手册:[3]

 时间:2024-10-15 09:33:41

约克YHAC60-B空调安装、操作和维护手册:[3]

约克YHAC60-B空调安装、操作和维护手册:[3]

约克YHAC60-B空调安装、操作和维护手册:[3]

约克YHAC60-B空调安装、操作和维护手册:[3]

约克YHAC60-B空调安装、操作和维护手册:[3]

/>

约克YHAC60-B空调安装、操作和维护手册:[3]

约克YHAC60-B空调安装、操作和维护手册:[3]

约克YHAC60-B空调安装、操作和维护手册:[3]

  • 约克YHAC60-B空调安装、操作和维护手册:[1]
  • 空调安装流程
  • 空调安装及使用注意事项有哪些呢
  • 碧蓝航线约克 约克改
  • 冰机的开关机 约克
  • 热门搜索
    award是什么意思 戒指在中指什么意思 杰作的意思 编者按是什么意思 遗嘱的意思 icp备案是什么意思 father是什么意思 因释其耒而守株的释是什么意思 达人什么意思 fridge是什么意思