TCL王牌HD29H91S彩电使用说明书

 时间:2024-10-15 03:39:33

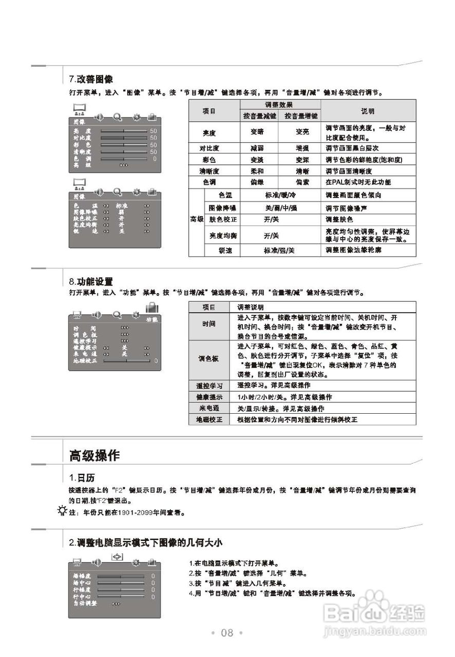
TCL王牌HD29H91S彩电使用说明书

TCL王牌HD29H91S彩电使用说明书

TCL王牌HD29H91S彩电使用说明书

TCL王牌HD29H91S彩电使用说明书

TCL王牌HD29H91S彩电使用说明书

TCL王牌HD29H91S彩电使用说明书

/>

TCL王牌HD29H91S彩电使用说明书

/>

TCL王牌HD29H91S彩电使用说明书

  • TCL王牌HD29H73S彩电使用说明书
  • TCL王牌HD4321彩电使用说明书
  • TCL王牌HD29189彩电使用说明书
  • TCL王牌HD29276彩电使用说明书
  • TCL王牌HD21H73S彩电使用说明书
  • 热门搜索
    路由器什么牌子最好 administration什么意思 澳门什么时候可以恢复正常过关 荷花一般什么时候开 随心所欲的欲是什么意思 浇灌的意思 shit是什么意思 提车要注意什么 沉湎的意思 busy是什么意思