万洲WZB-2671A-5000微机母线绝缘监察装置使用说明书:[11]

 时间:2024-11-26 00:34:12

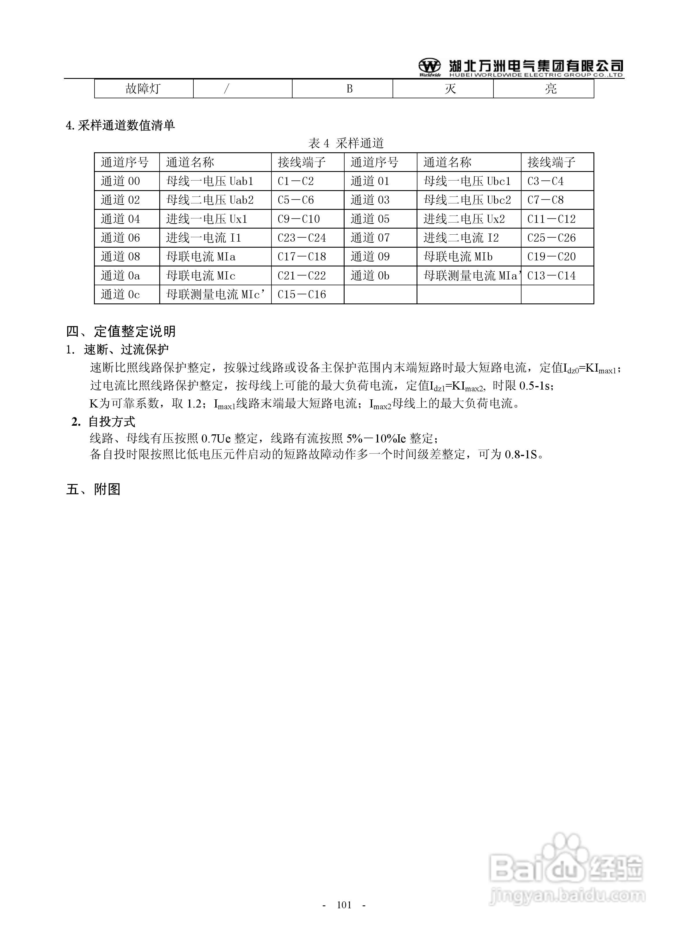
本篇为《万洲WZB-2671A-5000微机母线绝缘监察装置使用说明书》,主要介绍该产品的使用方刮茕栓双法以及常见故障解决方案。

万洲WZB-2671A-5000微机母线绝缘监察装置使用说明书:[11]

万洲WZB-2671A-5000微机母线绝缘监察装置使用说明书:[11]

万洲WZB-2671A-5000微机母线绝缘监察装置使用说明书:[11]

万洲WZB-2671A-5000微机母线绝缘监察装置使用说明书:[11]

万洲WZB-2671A-5000微机母线绝缘监察装置使用说明书:[11]

万洲WZB-2671A-5000微机母线绝缘监察装置使用说明书:[11]

万洲WZB-2671A-5000微机母线绝缘监察装置使用说明书:[11]

万洲WZB-2671A-5000微机母线绝缘监察装置使用说明书:[11]

万洲WZB-2671A-5000微机母线绝缘监察装置使用说明书:[11]

万洲WZB-2671A-5000微机母线绝缘监察装置使用说明书:[11]

  • 万洲WZB-2671A-5000微机母线绝缘监察装置使用说明书:[12]
  • 万洲WZB-2671A-3000微机母线绝缘监察保护装置使用说明:[1]
  • 万洲WZB-2671A-3000微机母线绝缘监察保护装置使用说明:[6]
  • 监察机关对下列哪些人员进行监察
  • 万洲WZB-2671A-3000微机母线绝缘监察保护装置使用说明:[3]
  • 热门搜索
    hbsag阴性是什么意思 喝什么醒酒 world是什么意思 桀骜不驯是什么意思 中出什么意思 如今我们早已经不同是什么歌 什么是设问句 什么是冷暴力 93年属什么 清高是什么意思