ME-4005万能断路器说明书:[1]

 时间:2024-10-13 19:08:39

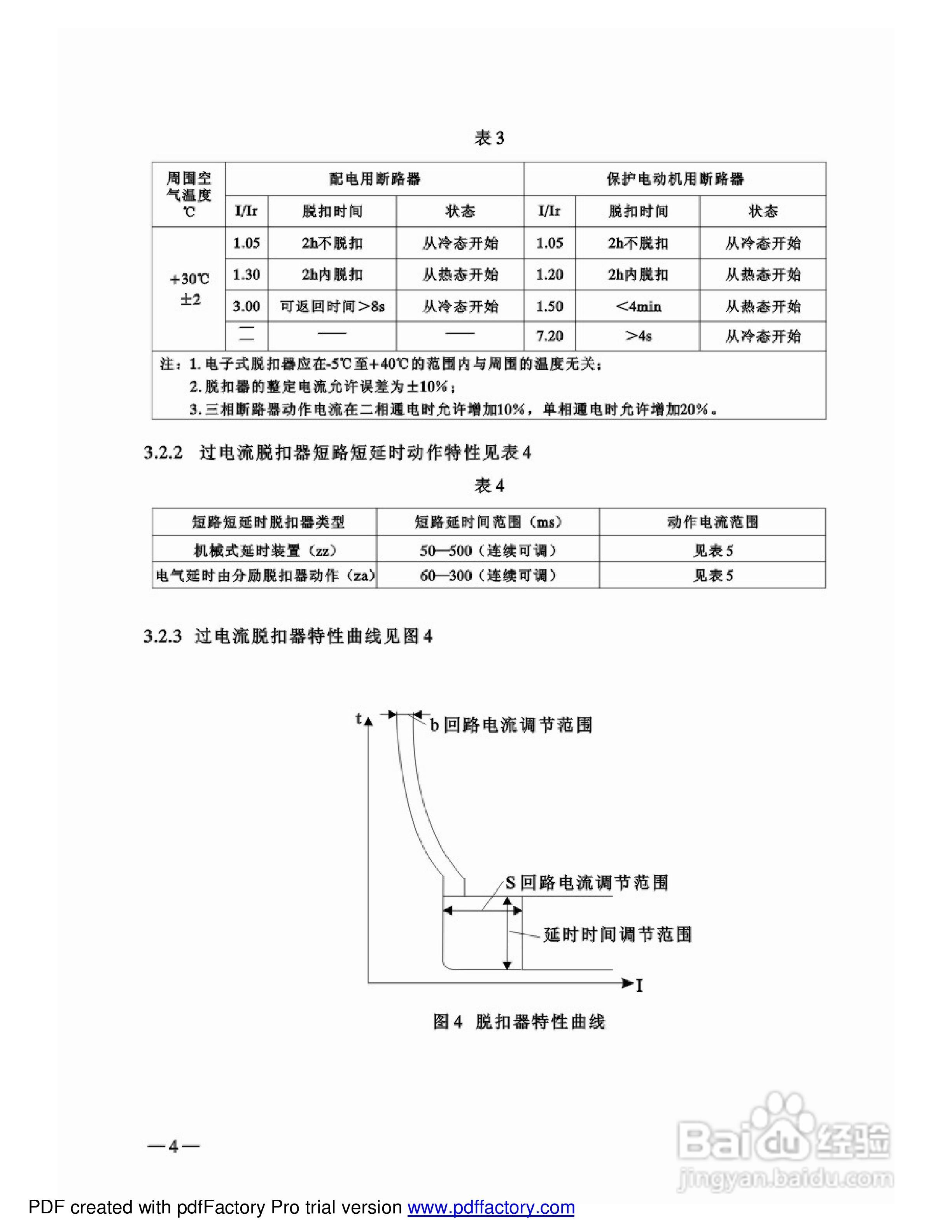
本篇为《ME-400猱蝰逾鸾5万能断路器说明书》,主要介绍该产品的使用方法以及常见故障解决方案。

ME-4005万能断路器说明书:[1]

ME-4005万能断路器说明书:[1]

ME-4005万能断路器说明书:[1]

ME-4005万能断路器说明书:[1]

ME-4005万能断路器说明书:[1]

ME-4005万能断路器说明书:[1]

ME-4005万能断路器说明书:[1]

ME-4005万能断路器说明书:[1]

ME-4005万能断路器说明书:[1]

ME-4005万能断路器说明书:[1]

  • 8倍Ak怎么压枪
  • 防爆声光报警器防爆性能判断
  • 安卓手机会中勒索病毒吗?
  • 减肥效果最好的8种瘦身法
  • qq浏览器搜字金卡攻略元尊方法
  • 热门搜索
    珠联璧合的意思 转基因是什么意思 爱乐维吃到什么时候 淹没的意思 freestyle是什么意思 旬是什么意思 微薄的意思 汽油费计入什么科目 古代六艺指什么 唱标是什么意思