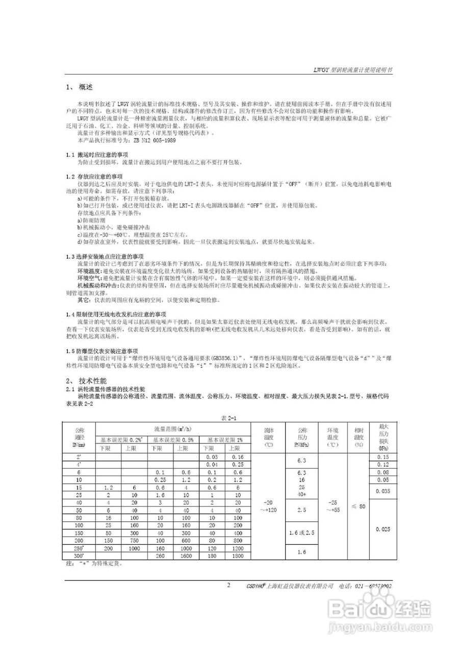
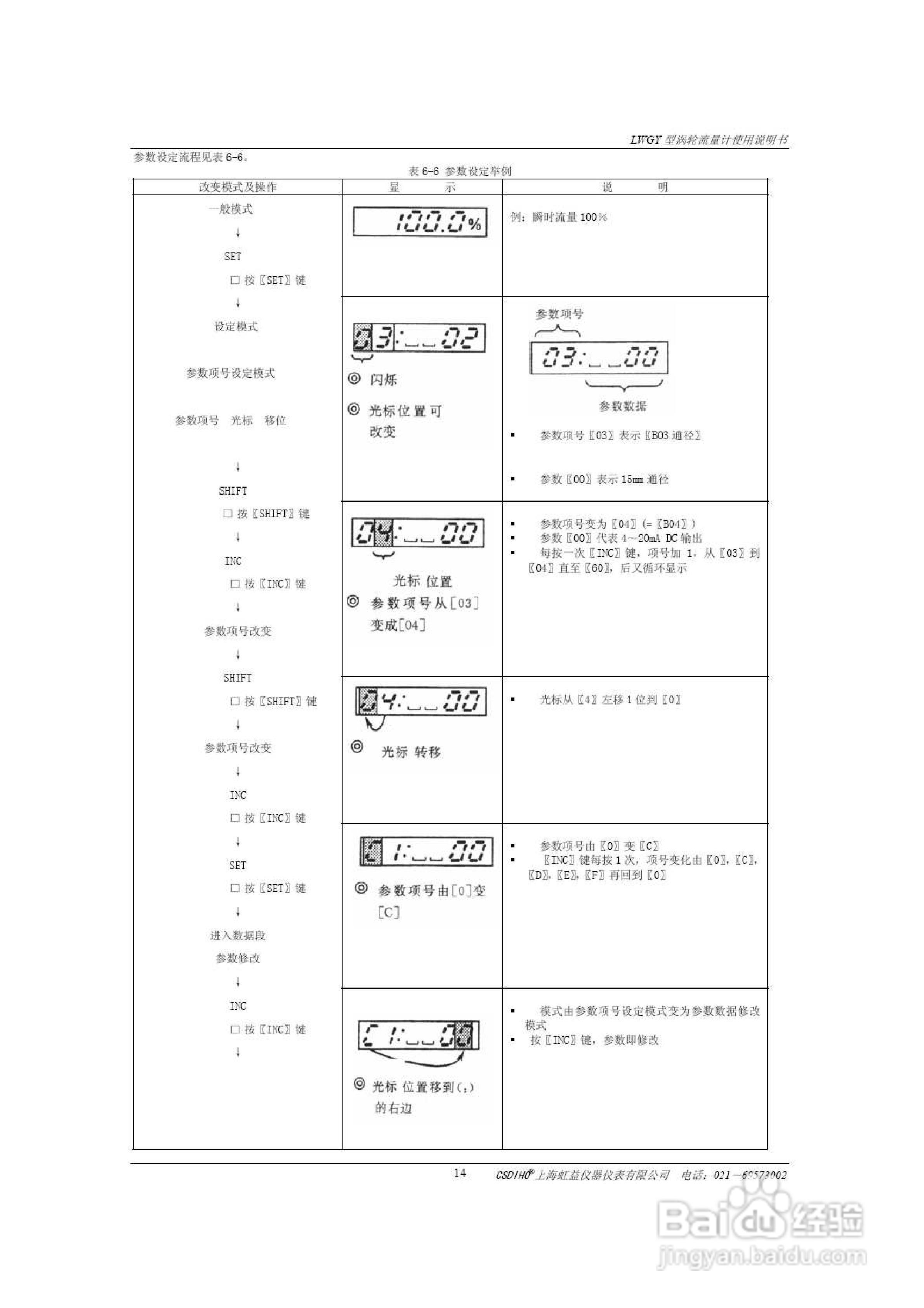
LWGY液体涡轮流量计说明书

 时间:2026-02-15 23:04:46

LWGY液体涡轮流量计说明书

LWGY液体涡轮流量计说明书

LWGY液体涡轮流量计说明书

LWGY液体涡轮流量计说明书

LWGY液体涡轮流量计说明书

LWGY液体涡轮流量计说明书

LWGY液体涡轮流量计说明书

LWGY液体涡轮流量计说明书

LWGY液体涡轮流量计说明书

LWGY液体涡轮流量计说明书

LWGY液体涡轮流量计说明书

LWGY液体涡轮流量计说明书

LWGY液体涡轮流量计说明书

LWGY液体涡轮流量计说明书

LWGY液体涡轮流量计说明书

LWGY液体涡轮流量计说明书

LWGY液体涡轮流量计说明书

LWGY液体涡轮流量计说明书

LWGY液体涡轮流量计说明书

LWGY液体涡轮流量计说明书

  • 液体涡轮流量计说明书:[1]
  • 液体涡轮流量计说明书:[2]
  • 涡轮流量计安装注意事项
  • 浅析涡轮流量计
  • 国诚LW涡轮流量计说明书
  • 热门搜索
    引人入胜是什么意思 什么动物最好养 ahead是什么意思 落花流水是什么生肖 stdev是什么意思 sd卡是什么卡 菩提子是什么 老流鼻血是什么原因 什么是动画 同人漫画是什么意思