飞创仪表-智能自整定PID调节控制仪表/光柱显示仪表使:[3]

 时间:2024-11-08 06:10:39

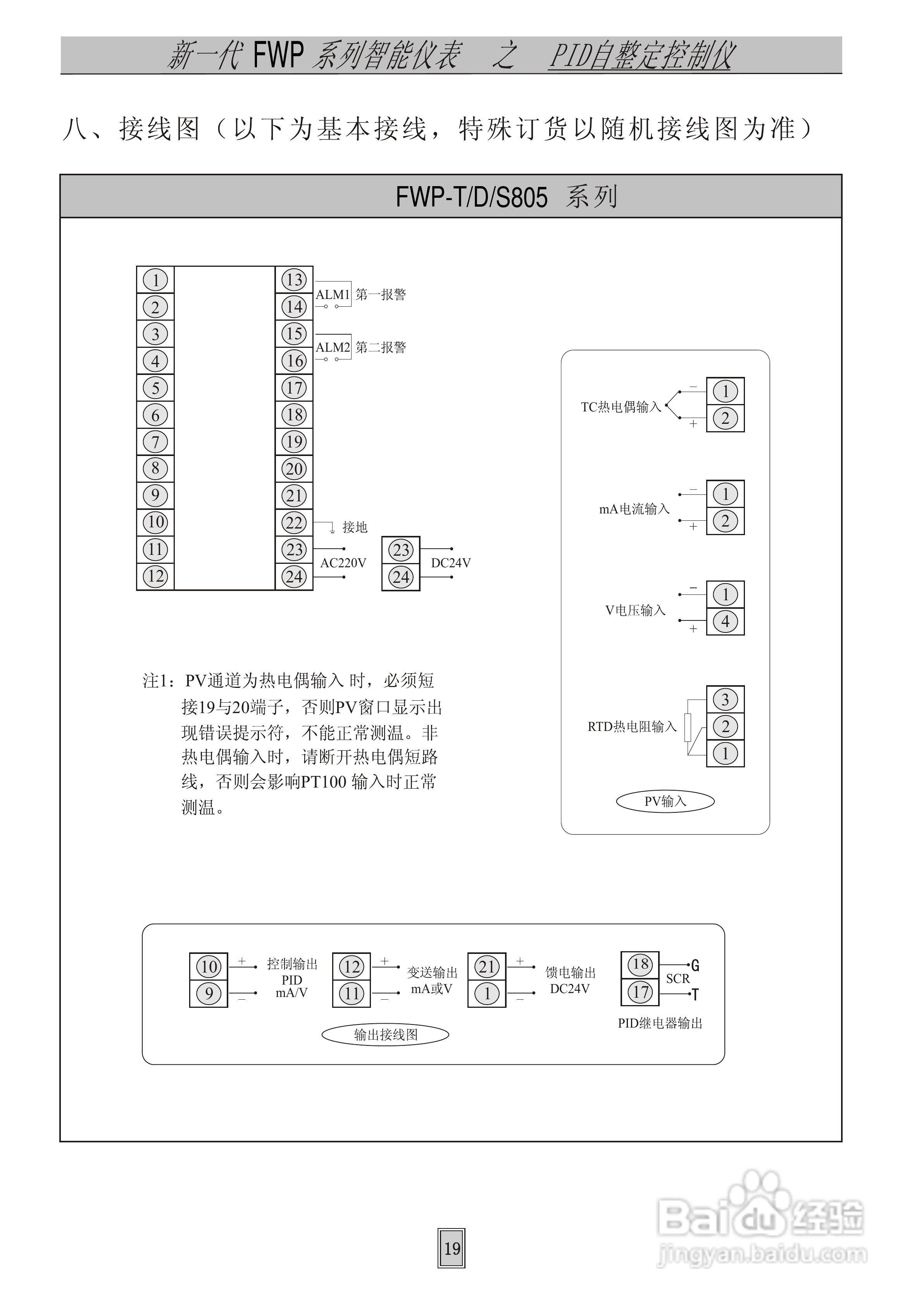
本篇为《飞创仪表-智能自整定PID调节控制仪表/光柱显示仪表使》,主要介绍该产品的使用方法以及常见故障解决方案。

飞创仪表-智能自整定PID调节控制仪表/光柱显示仪表使:[3]

飞创仪表-智能自整定PID调节控制仪表/光柱显示仪表使:[3]

飞创仪表-智能自整定PID调节控制仪表/光柱显示仪表使:[3]

飞创仪表-智能自整定PID调节控制仪表/光柱显示仪表使:[3]

飞创仪表-智能自整定PID调节控制仪表/光柱显示仪表使:[3]

飞创仪表-智能自整定PID调节控制仪表/光柱显示仪表使:[3]

飞创仪表-智能自整定PID调节控制仪表/光柱显示仪表使:[3]

飞创仪表-智能自整定PID调节控制仪表/光柱显示仪表使:[3]

  • 飞创仪表-智能自整定PID调节控制仪表/光柱显示仪表使:[2]
  • AOGA5000 AOGA6000智能光柱PID调节器使用手册:[3]
  • 如何正确使用单光柱数显仪
  • pid调节参数设置技巧
  • AOGA5000 AOGA6000智能光柱PID调节器使用手册:[1]
  • 热门搜索
    手机打不开怎么刷机 ps如何瘦脸 空间回收站在哪里 192.168.1.1 路由器设置 路由器怎么接 如何买股票 成都市旅游局 如何打飞机 售电公司如何运作 怎么更改路由器密码