研祥ARK-8050DH 7路数字输入8路数字输出模块说明书:[2]

 时间:2024-11-28 08:24:20

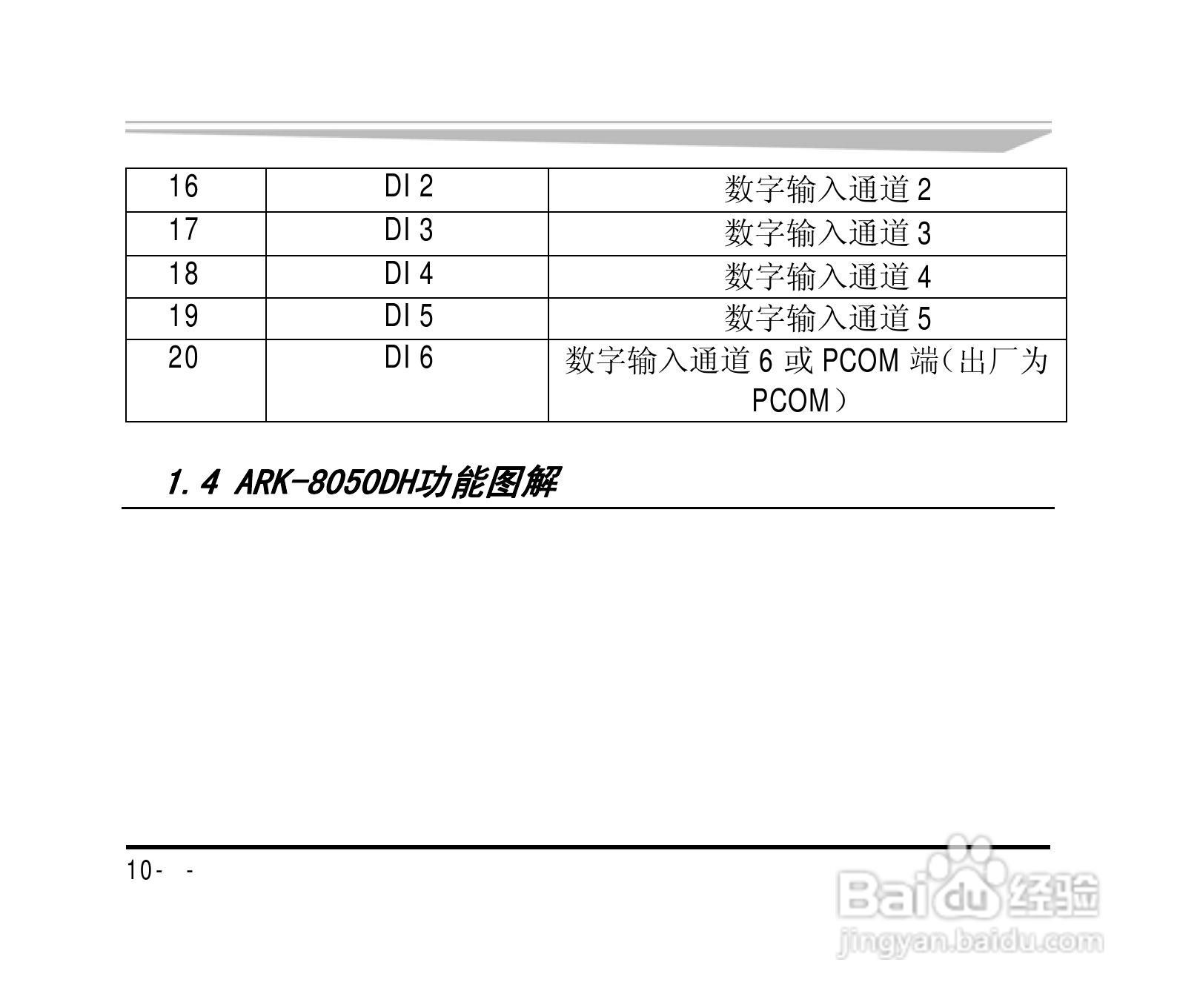
本篇为《研祥ARK-8050DH 7路数字输入8路数字输出模块说明书》,主要介绍该产品的使用方法以及常见故障解决方案。

研祥ARK-8050DH 7路数字输入8路数字输出模块说明书:[2]

研祥ARK-8050DH 7路数字输入8路数字输出模块说明书:[2]

研祥ARK-8050DH 7路数字输入8路数字输出模块说明书:[2]

研祥ARK-8050DH 7路数字输入8路数字输出模块说明书:[2]

研祥ARK-8050DH 7路数字输入8路数字输出模块说明书:[2]

研祥ARK-8050DH 7路数字输入8路数字输出模块说明书:[2]

研祥ARK-8050DH 7路数字输入8路数字输出模块说明书:[2]

研祥ARK-8050DH 7路数字输入8路数字输出模块说明书:[2]

研祥ARK-8050DH 7路数字输入8路数字输出模块说明书:[2]

研祥ARK-8050DH 7路数字输入8路数字输出模块说明书:[2]

  • 研祥ARK-8050DH 7路数字输入8路数字输出模块说明书:[3]
  • 研祥ARK-8050DH 7路数字输入8路数字输出模块说明书:[5]
  • 研祥ARK-8060DHI&ARK-8060M 4路数字输入4路继电器输出:[2]
  • 研祥ARK-8060DHI&ARK-8060M 4路数字输入4路继电器输出:[3]
  • 研祥ARK-8060DHI&ARK-8060M 4路数字输入4路继电器输出:[4]
  • 热门搜索
    本埠和外埠是什么意思 aj是什么意思 什么名字好听又有内涵 什么的礼物填空 dns是什么 95518是什么电话 点痣后要注意什么 空虚是什么意思 淘宝降权是什么意思 干咳是什么症状