SONY AIT自动装载机LIB-D81说明书:[1]

 时间:2026-02-15 02:27:35

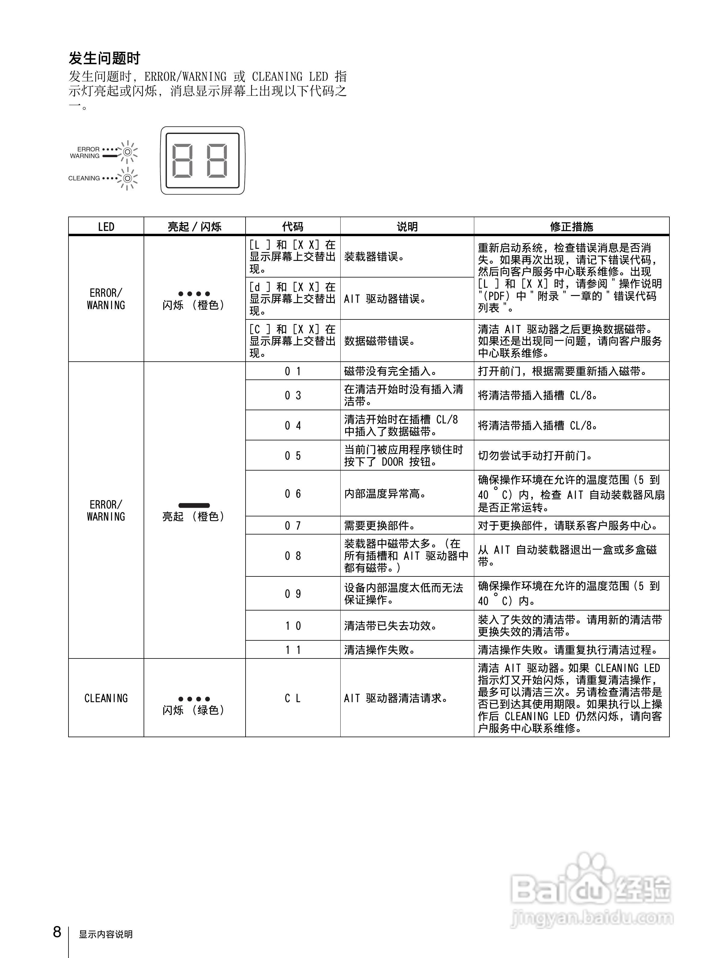
本篇为《SONY AIT自动装载机LIB-D81说明书》,主要介绍该产品的使用方法以及常见故障解决方案。


SONY AIT自动装载机LIB-D81说明书:[1]

SONY AIT自动装载机LIB-D81说明书:[1]

SONY AIT自动装载机LIB-D81说明书:[1]

SONY AIT自动装载机LIB-D81说明书:[1]

SONY AIT自动装载机LIB-D81说明书:[1]

SONY AIT自动装载机LIB-D81说明书:[1]

SONY AIT自动装载机LIB-D81说明书:[1]

SONY AIT自动装载机LIB-D81说明书:[1]

SONY AIT自动装载机LIB-D81说明书:[1]

SONY AIT自动装载机LIB-D81说明书:[1]

(共篇)
  • 装载机电子称简介
  • 装载机驾驶技巧
  • 装载机制动系统及故障处理
  • 装载机制动系统出现故障处理方法
  • 装载机安全使用注意事项
  • 热门搜索
    汽车eco是什么意思 aed是什么货币 600分能上什么大学 妈妈是什么 投鼠忌器是什么意思 一件代发是什么意思 裸官是什么意思 5万左右买什么车好 征信报告是什么 什么是单项式