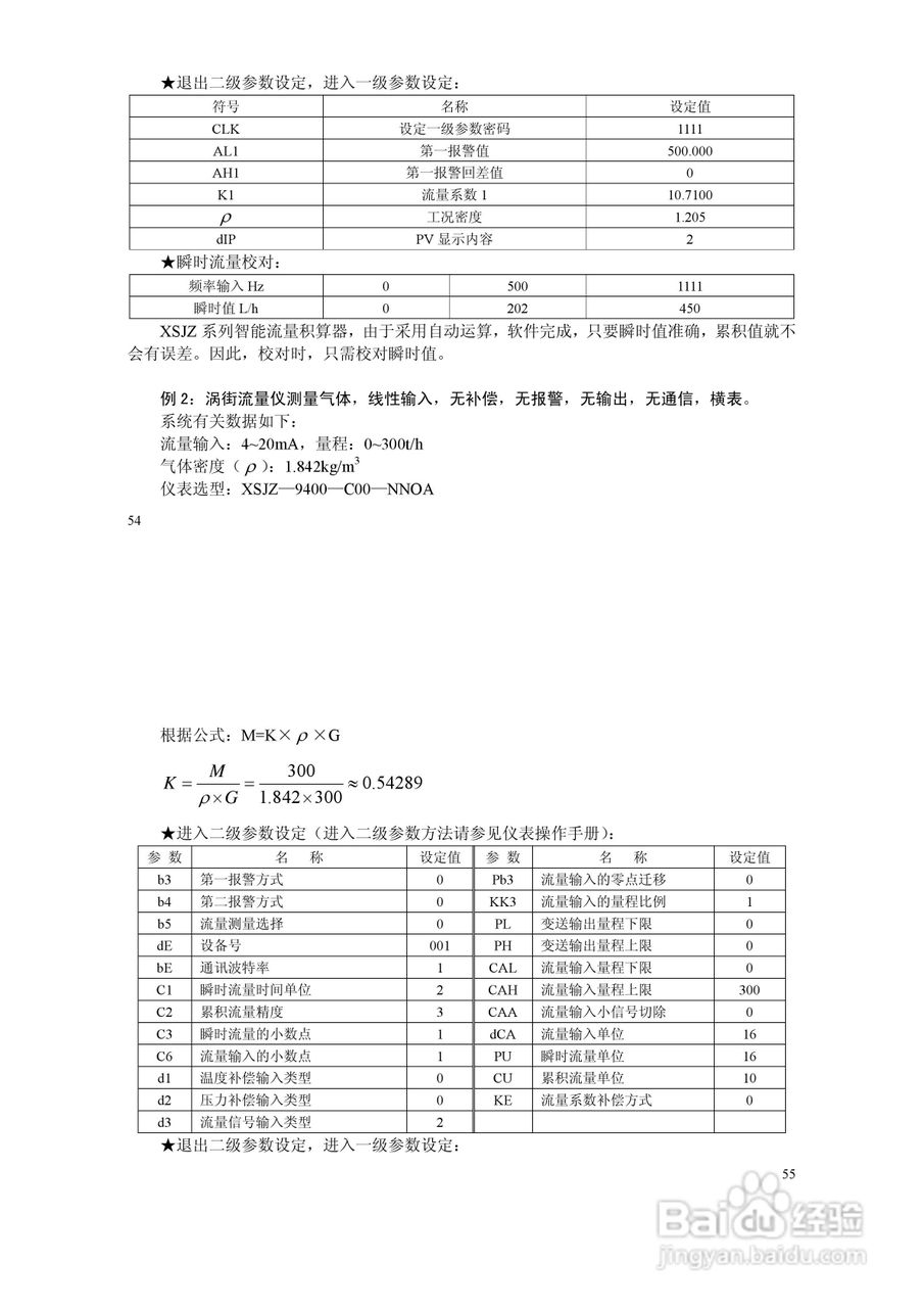
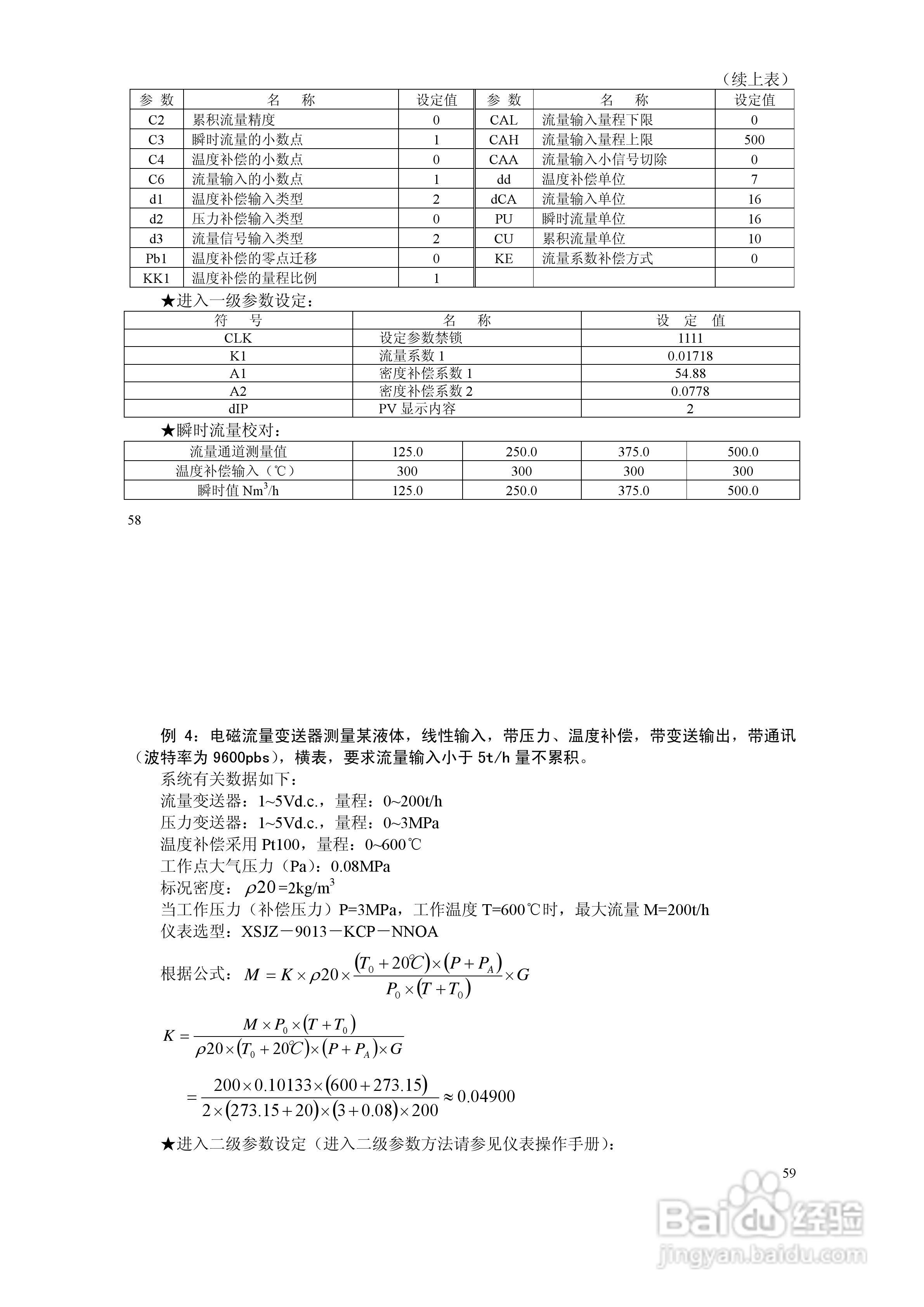
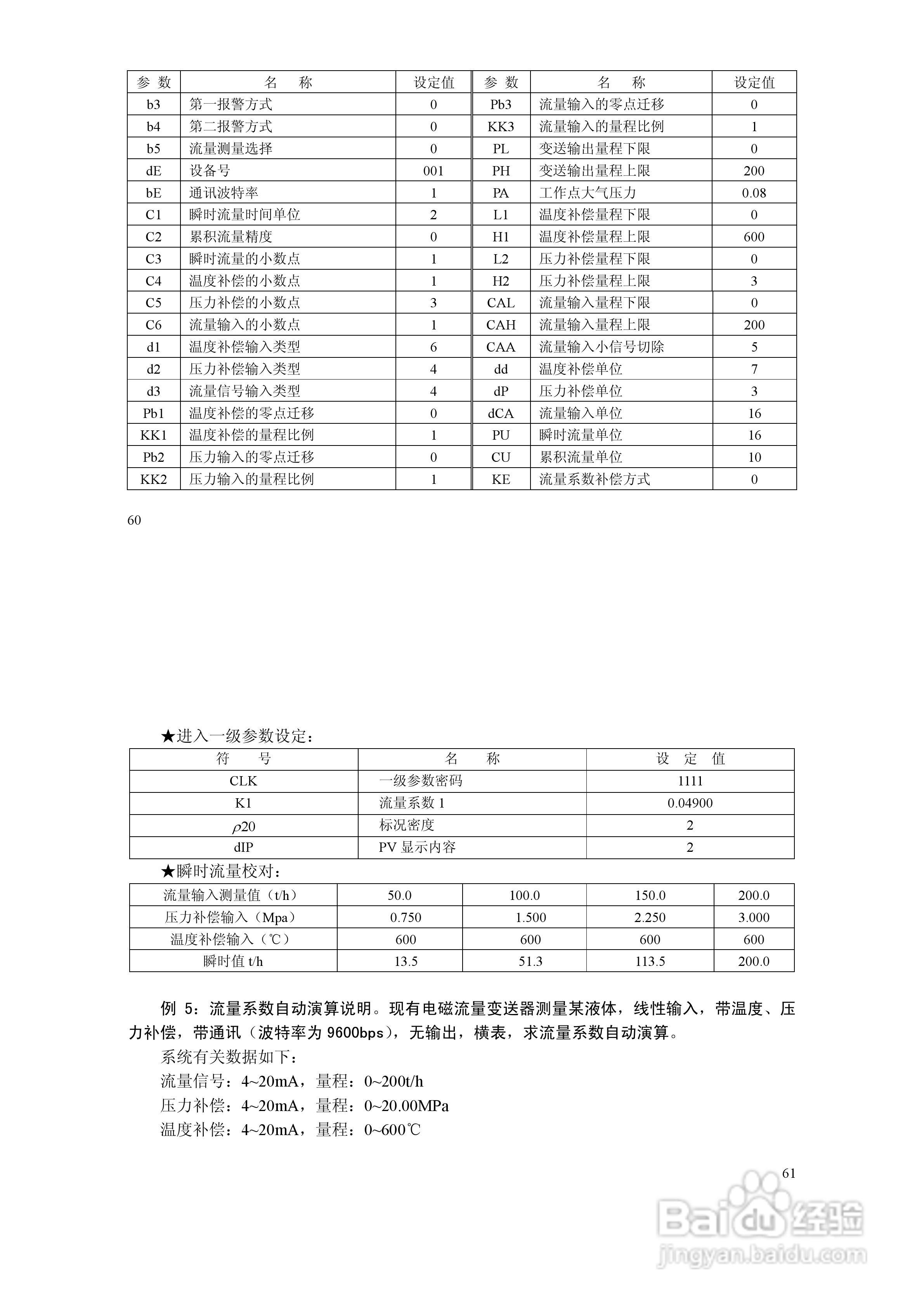
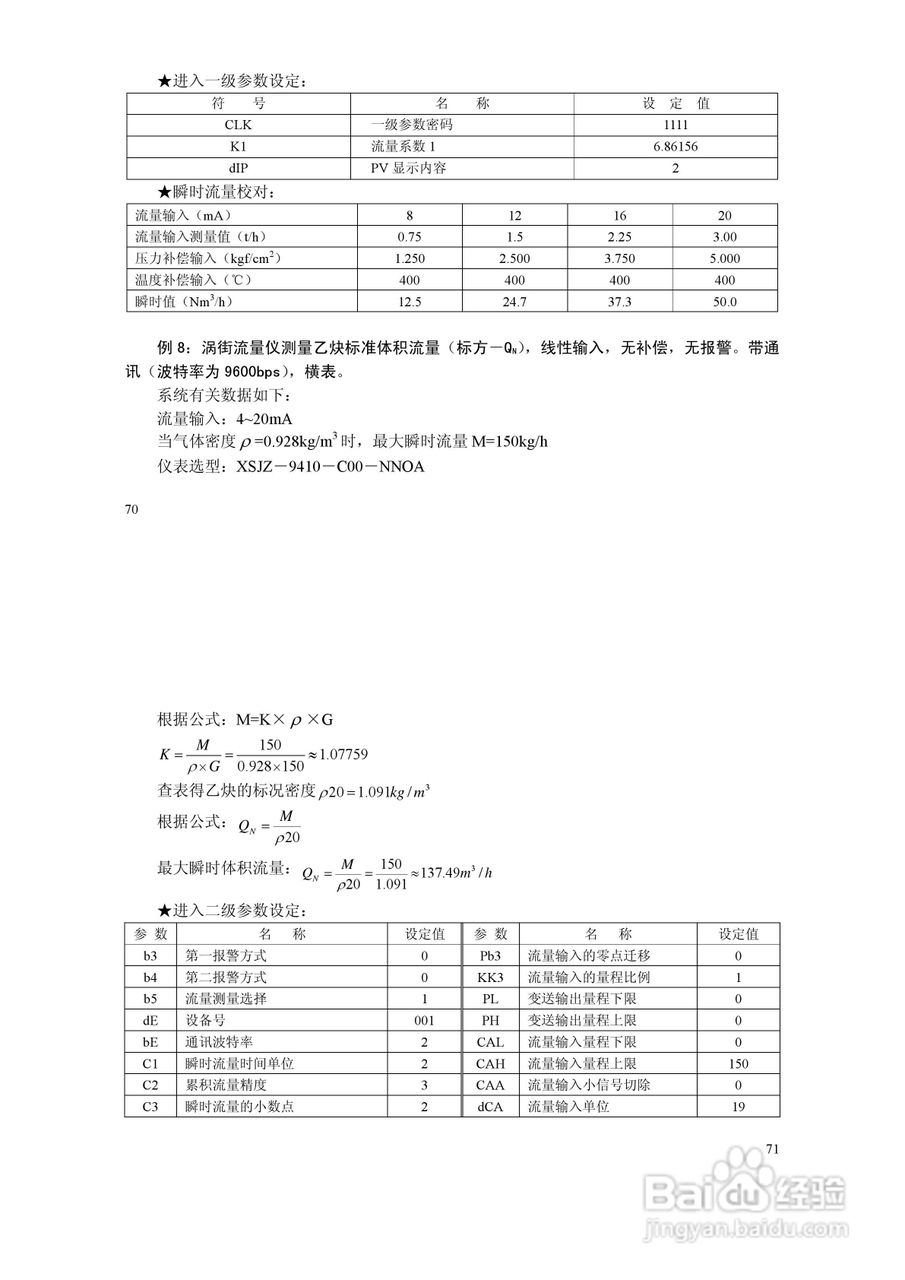
XSJZ流量积算仪使用说明书:[4]

 时间:2024-10-18 15:21:30

本篇为《XSJZ流量娑授赔那积算仪使用说明书》,主要介绍该产品的使用方法以及常见故障解决方案。

XSJZ流量积算仪使用说明书:[4]

XSJZ流量积算仪使用说明书:[4]

XSJZ流量积算仪使用说明书:[4]

XSJZ流量积算仪使用说明书:[4]

XSJZ流量积算仪使用说明书:[4]

XSJZ流量积算仪使用说明书:[4]

XSJZ流量积算仪使用说明书:[4]

XSJZ流量积算仪使用说明书:[4]

XSJZ流量积算仪使用说明书:[4]

XSJZ流量积算仪使用说明书:[4]

  • XSJZ流量积算仪使用说明书:[1]
  • JZ874小功率无线数传模块使用说明
  • 侠诺QVM660路由器使用说明书:[6]
  • 南瑞电气NRDT-10A 接地引下线导通测试仪说明书
  • 欣灵XL-E3TS、XL-E3KG光电开关说明书
  • 热门搜索
    95开头的是什么电话号码 有什么好看的电影 生态门是什么材质 lol什么意思 said是什么意思 星期狗是什么意思 白带豆腐渣状是什么原因造成的 steam是什么意思 兄弟啊想你啦什么歌 鱼竿调性是什么意思