优派PJL6243投影机使用说明书:[2]

 时间:2024-11-04 23:53:25

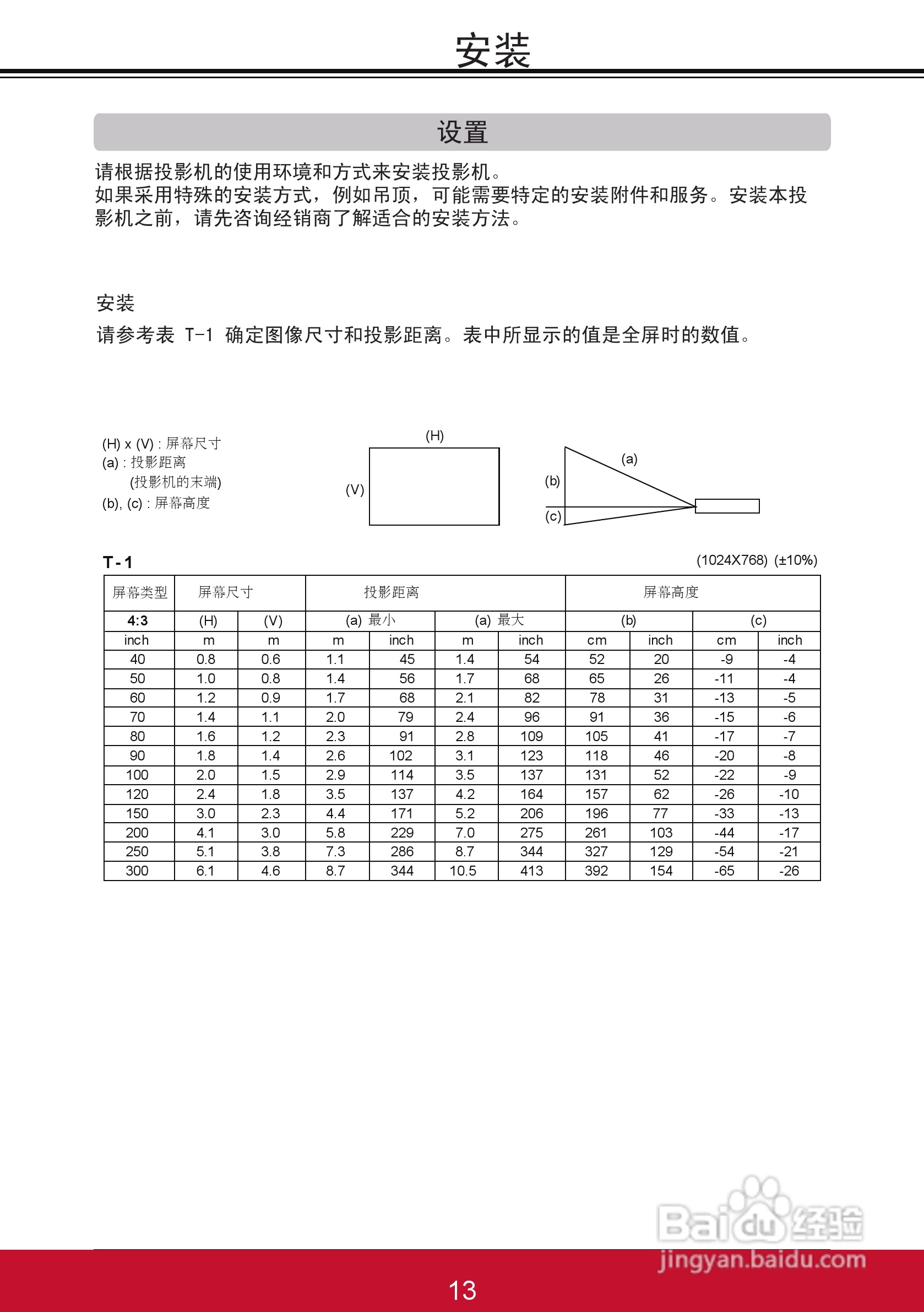
本篇为《优派PJL6243投影机使用说明书》,主要介绍该产品的使用方法以及常见故障解决方案。

优派PJL6243投影机使用说明书:[2]

优派PJL6243投影机使用说明书:[2]

优派PJL6243投影机使用说明书:[2]

优派PJL6243投影机使用说明书:[2]

优派PJL6243投影机使用说明书:[2]

优派PJL6243投影机使用说明书:[2]

优派PJL6243投影机使用说明书:[2]

优派PJL6243投影机使用说明书:[2]

优派PJL6243投影机使用说明书:[2]

优派PJL6243投影机使用说明书:[2]

  • 优派PJL6243投影机使用说明书:[18]
  • 优派PJL6243投影机使用说明书:[16]
  • 投影机怎样连接使用
  • 投影机怎么开关机
  • 投影机ip设置
  • 热门搜索
    电子表怎么调 八爪鱼怎么清洗 怎么消除青春痘 花呗怎么提额度 华帝热水器怎么样 白苹果怎么修复 怎么给u盘加密 立马电动车怎么样 我的世界电脑版怎么玩 血压偏低怎么办