苏州一光RTS115L全站仪使用说明书:[12]

 时间:2024-11-11 19:35:28

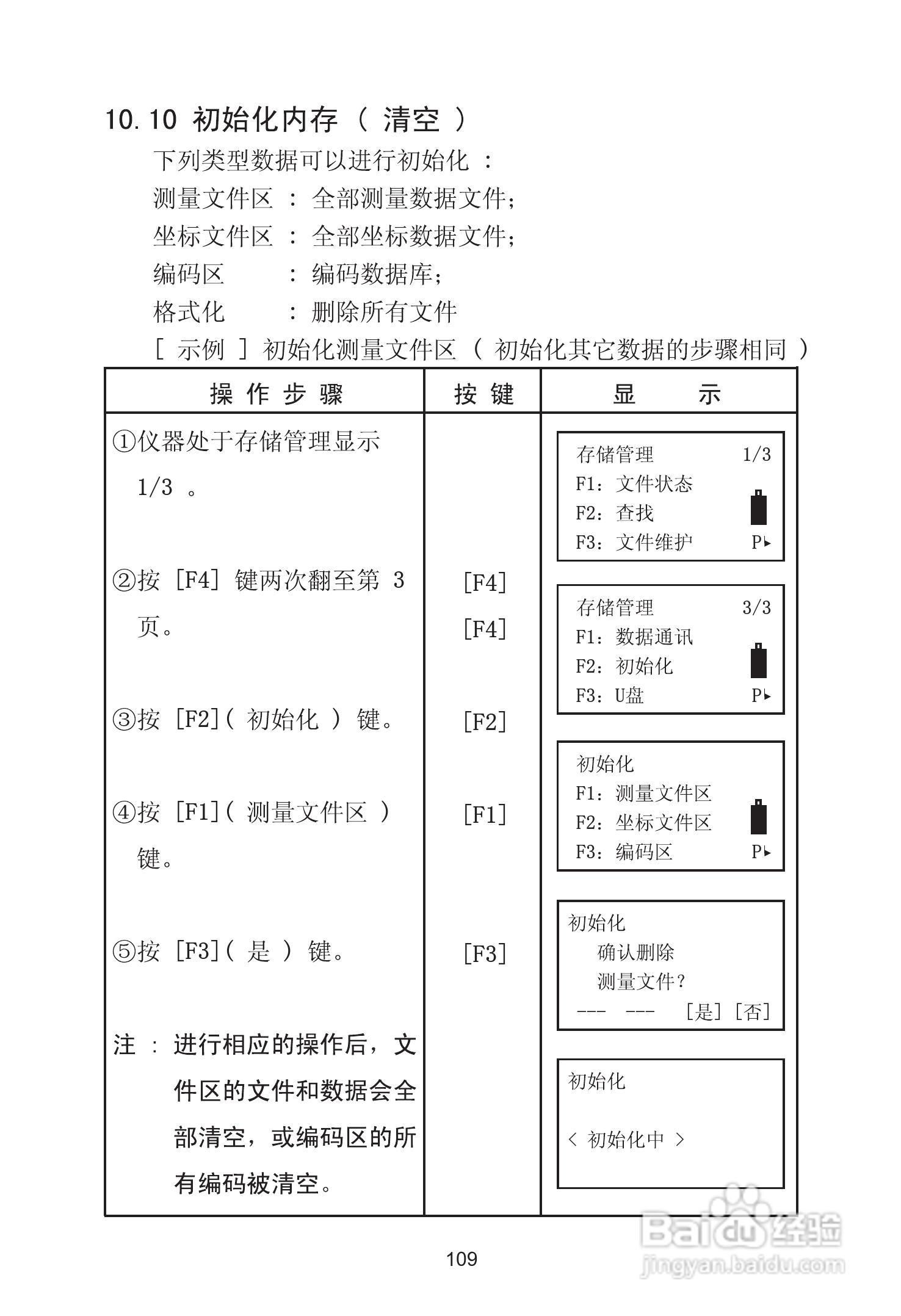
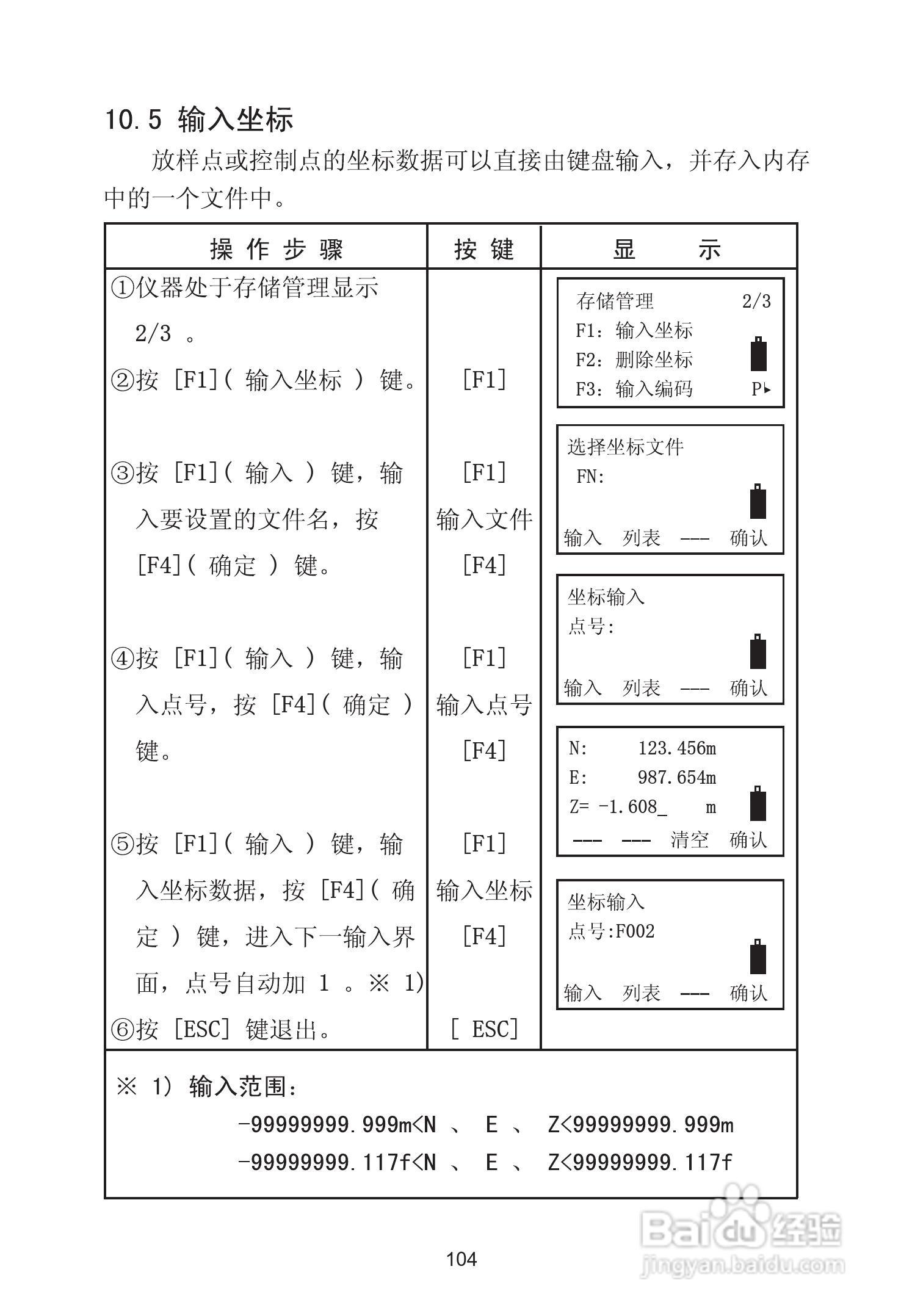
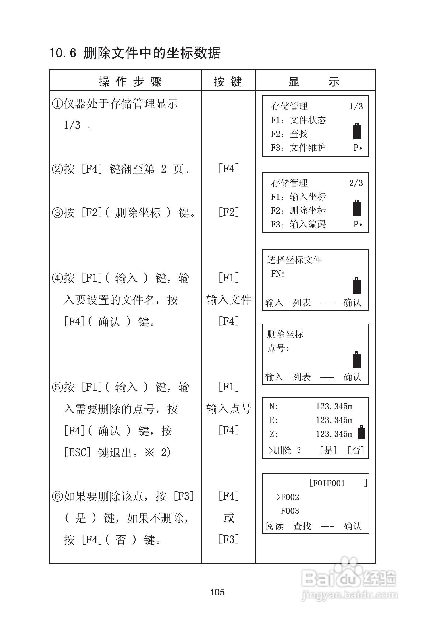
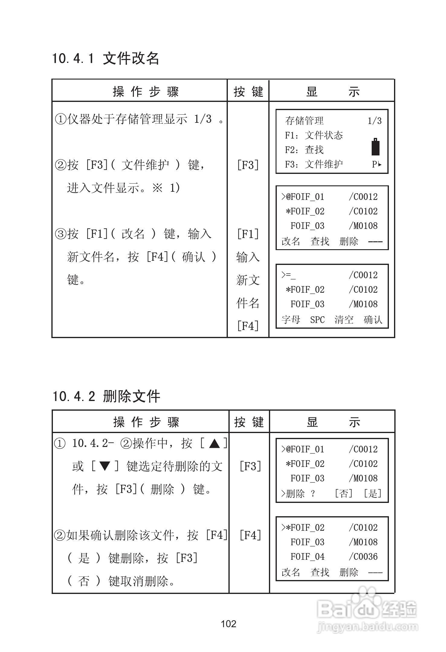
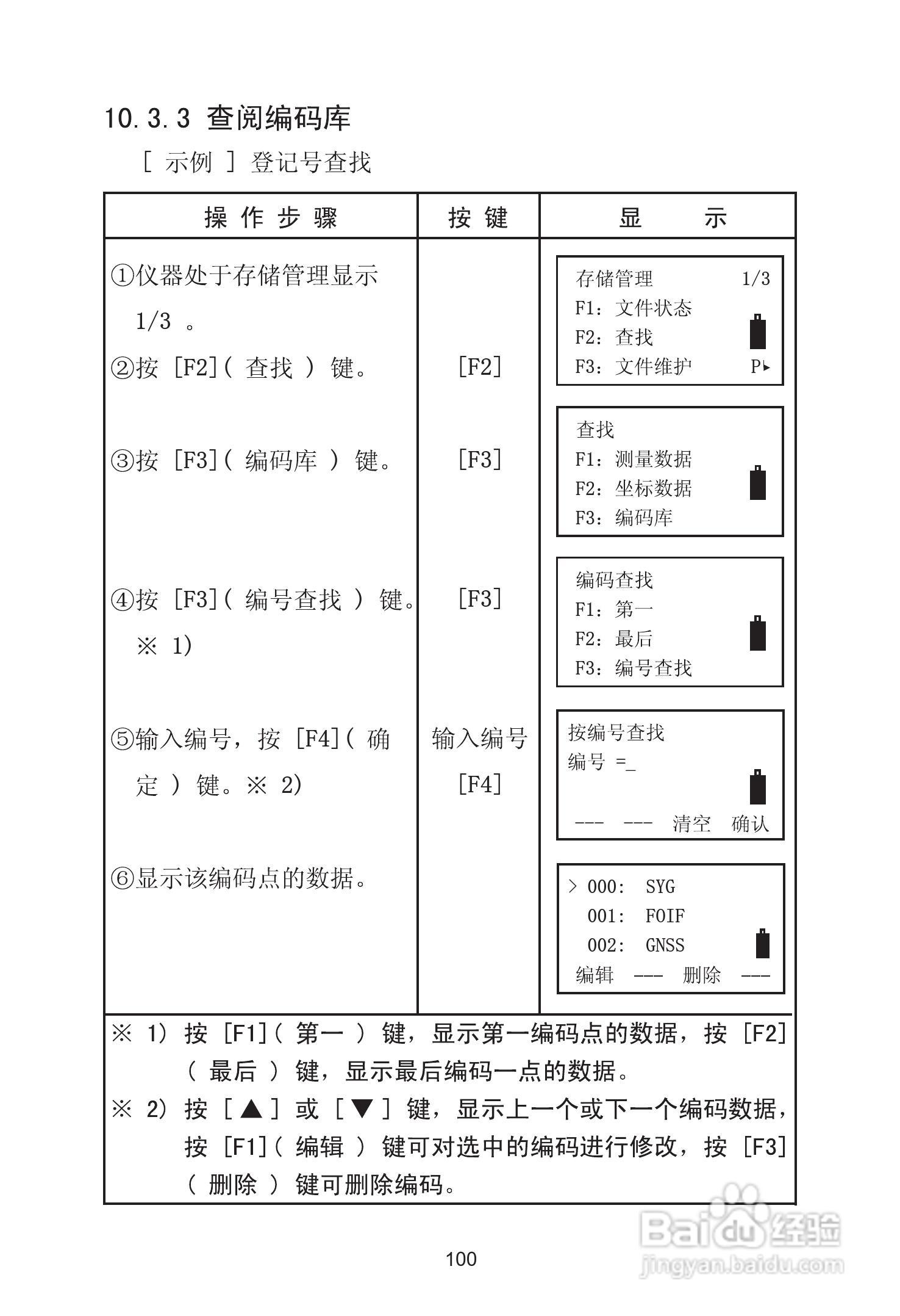
本篇为《苏州一光RTS115L全站仪使用说明书》,主要介绍该产品的使用方法以及常见故障解决方案。

苏州一光RTS115L全站仪使用说明书:[12]

苏州一光RTS115L全站仪使用说明书:[12]

苏州一光RTS115L全站仪使用说明书:[12]

苏州一光RTS115L全站仪使用说明书:[12]

苏州一光RTS115L全站仪使用说明书:[12]

苏州一光RTS115L全站仪使用说明书:[12]

苏州一光RTS115L全站仪使用说明书:[12]

苏州一光RTS115L全站仪使用说明书:[12]

苏州一光RTS115L全站仪使用说明书:[12]

苏州一光RTS115L全站仪使用说明书:[12]

  • 如何将腾讯视频QLV格式转为MP4
  • PHP+Redis教程:环境安装
  • 护肤让肌肤水润光泽的15个小窍门
  • 如何利用Google Shopping广告推广Shopify独立站
  • 仙剑奇侠传四如何加入仙盟
  • 热门搜索
    帐篷怎么搭 怎么保养皮肤 原液怎么用 小爱同学怎么设置 新陈代谢慢怎么办 无线耳机怎么连接电脑 瘊子是怎么形成的 怎么做淘宝客赚佣金 怎么提高网速 怎么修改照片像素