小知经验
网站首页
美食营养
游戏数码
手工爱好
生活家居
健康养生
运动户外
职场理财
情感交际
母婴教育
时尚美容
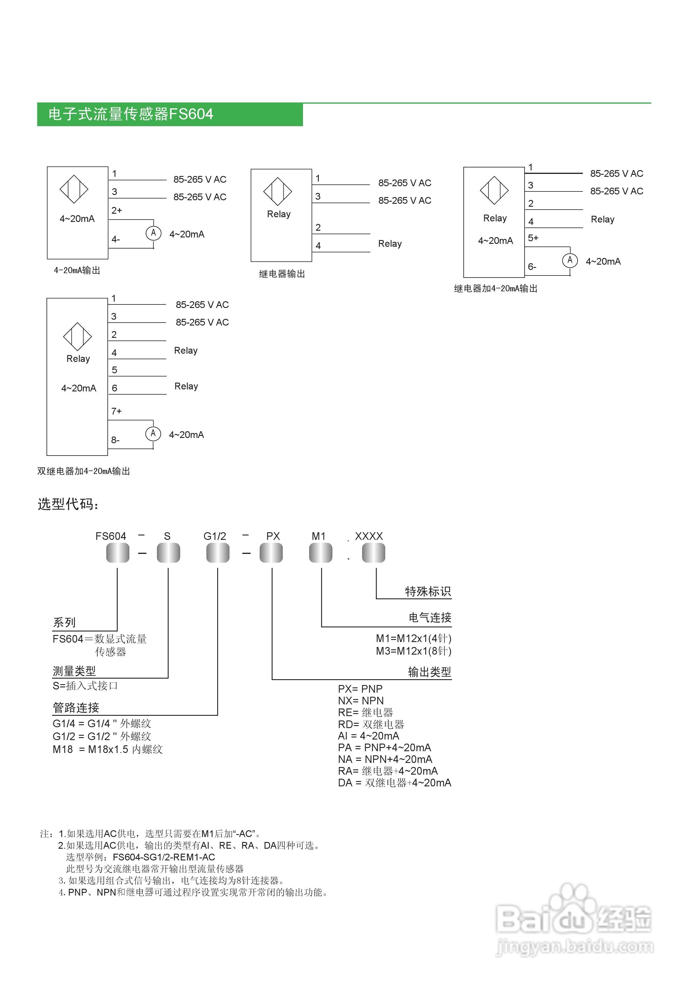
宜科FS604电子式流量传感器说明书
时间:2024-11-23 23:19:37
基尔SIY90S电子式流量传感器说明书
电子式流量开关/流量传感器
压力传感器、高精度压力传感器使用说明
投入式液位计、投入式液位传感器说明书
基恩士FS-N10数字光纤传感器用户手册:[4]
热门搜索
如何增强记忆力
小米路由器3
如何设置默认打印机
康师傅是哪里的
旅游宣传口号
怎么办理400电话
青岛市旅游地图
oppo充电提示音在哪里设置
如何创建网站
薯条怎么炸才脆
Copyright © 2025
小知经验
All Rights Reserved 信息来自网络,所有数据仅供参考,有任何疑问请联系站长